Веерные форсунки стекла омывателя

Регистрация
20 Сен 2013
Сообщения
676
Авто
Киа Соренто 2014г.в, Limited 2.0CRDI(184л.с) п/п кореец, 7мест,панорама люк, кожа!, был Орландо!
Serega33, А где именно юао? Если не секрет., можно в личку.
 
Регистрация
9 Янв 2013
Сообщения
374
Авто
Chevrolet Orlando LT+ AT
С подогревом уже кто нить поставил?
 
Регистрация
29 Янв 2015
Сообщения
329
Авто
Orlando 2.0AT
Коллеги, подскажите номерки форсунок которые с резиночками идут.
 
Регистрация
2 Авг 2015
Сообщения
8
Авто
Орландо
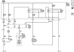
QUOTE=ROKS;25206]iamihail, Форсунка есть!!!!!!! Заливается в один бачок! Там два моторчика!:)[/QUOTE]

Оооопссс ... моторчик один , между прочим ..Вот схема:chevy::chevy::chevy:[
 

Вложения

Регистрация
20 Сен 2013
Сообщения
676
Авто
Киа Соренто 2014г.в, Limited 2.0CRDI(184л.с) п/п кореец, 7мест,панорама люк, кожа!, был Орландо!
Serega33 написал(а):
Коллеги, подскажите номерки форсунок которые с резиночками идут.
Страницей выше писал артикул!
 
Регистрация
20 Сен 2013
Сообщения
676
Авто
Киа Соренто 2014г.в, Limited 2.0CRDI(184л.с) п/п кореец, 7мест,панорама люк, кожа!, был Орландо!

WhitePower

ТУШИНО
Регистрация
19 Мар 2014
Сообщения
380
Авто
ORLANDO 2.0TD
Так они сейчас 2200р. чет не готов я за форсунки столько платить.
Возьми от Вольво , 600 деревянных пара , магазин "volvo77", я брал у них в кунцево, а так у них магазинов по Москве куча!
 
Регистрация
20 Сен 2013
Сообщения
676
Авто
Киа Соренто 2014г.в, Limited 2.0CRDI(184л.с) п/п кореец, 7мест,панорама люк, кожа!, был Орландо!
Serega33, Они чё золотые стали!!!
 
Регистрация
29 Янв 2015
Сообщения
329
Авто
Orlando 2.0AT
Регистрация
20 Сен 2013
Сообщения
676
Авто
Киа Соренто 2014г.в, Limited 2.0CRDI(184л.с) п/п кореец, 7мест,панорама люк, кожа!, был Орландо!
Serega33, Скопируй артикул и в Яндекс в бей там много выдаёт по адекватной цене!
 
Регистрация
7 Мар 2013
Сообщения
48
Авто
Chevrolet Orlando 1.8 AT LTZ
А чем они от Вольвовских отличаются? Крепеж такой же?
 
Регистрация
20 Сен 2013
Сообщения
676
Авто
Киа Соренто 2014г.в, Limited 2.0CRDI(184л.с) п/п кореец, 7мест,панорама люк, кожа!, был Орландо!
Diyak написал(а):
А чем они от Вольвовских отличаются? Крепеж такой же?
Резинками, у вольвовских резинок нету.
 
Регистрация
7 Мар 2013
Сообщения
48
Авто
Chevrolet Orlando 1.8 AT LTZ
Мда, 1000 руб за резинку - это больно. Ставил я вольвовские, все было нормально, но не устроил крепеж. Форсунка елозиет в отверстии, а так как капот не всегда кристально чист итог можно представить. Это конечно ИМХО. Проверять я не стал. Пытался как то заколхозить, но в итоге сломал крепеж форсунки. На этом все и закончилось. Вернулся к стоковым.
Вот и хочу найти чтото максимально близкое к нашему крепежу. Нарыл на китайских помойках форсунку, по моему от джипа или крайслера. На картинке крепеж похож, но проверять габаритные параметры за 1500 рублей не решился.
 
Регистрация
20 Сен 2013
Сообщения
676
Авто
Киа Соренто 2014г.в, Limited 2.0CRDI(184л.с) п/п кореец, 7мест,панорама люк, кожа!, был Орландо!
Ssang Yong7845009010Форсунка стеклоомывателя
26 дн.
349,27 р., это в exist.ru
 
Регистрация
11 Мар 2012
Сообщения
1,064
Авто
другой
Ребята. я долго молчал и читал (почти)весь ваш диалог. В итоге: Поставил себе "веерные" прокатился и опробовал: остановился на наших родных. но в совокупности с "мухобойкой на капот" , эффект- потока воздуха от завихрения воздуха как от распылителя. До этого ,ставил от Вольво. Всем удачи.:handshake:
 

DAK

Регистрация
24 Июл 2015
Сообщения
1,209
Авто
Chevrolet Orlando LT АКПП
Доброго всем дня.
А к форсункам от Ssang Yong фильтр нужен дополнительно?
А то они на emex опять 400 рублей.
 
Регистрация
20 Сен 2013
Сообщения
676
Авто
Киа Соренто 2014г.в, Limited 2.0CRDI(184л.с) п/п кореец, 7мест,панорама люк, кожа!, был Орландо!
У меня стоят без фильтров.
 
  • Нравится
Реакции: DAK

DAK

Регистрация
24 Июл 2015
Сообщения
1,209
Авто
Chevrolet Orlando LT АКПП
Это просто дурдом. Заказал на emex по 400 рублей от Ssang Yong.
Через две недели видимо очухались -заказ остановлен. Новая цена 1822 рубля.
Ок, еще подождем.
 
Сверху